CH-FB202B

CH-FB202B

产品咨询
400-4008-999 拨打全国热线了解更多

型号

CH-FB201B

材质

304不锈钢或者316L

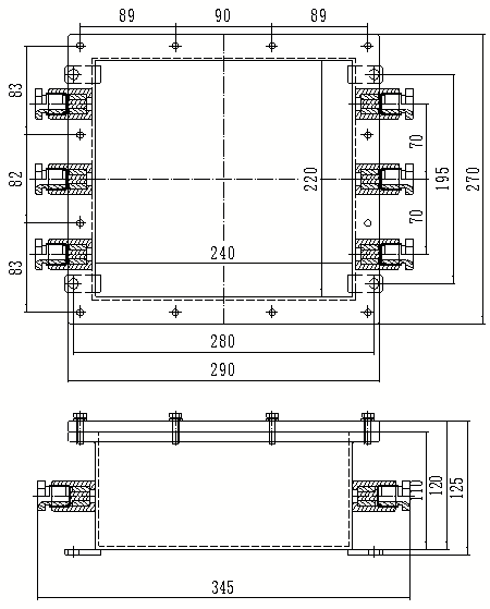
内腔尺寸

160*125mm

外形尺寸

277(L)*134(H)mm

出线规格

 4 个 G-3/4// 出线孔

电气连接

最多 8-pin 接线端子

电压额定

250V/20A

入线项径

22~14AWG

安装方式

室内、室外壁挂安装

重量

约 4.6kg

防护等级

 IP67


© 2020 上海YABO鸭脖官网科技股份有限公司 沪ICP备12045031号

联系我们

联系我们

400-631-6166
产品目录

产品目录