CH-FB202B-F

CH-FB202B-F

产品咨询
400-4008-999 拨打全国热线了解更多


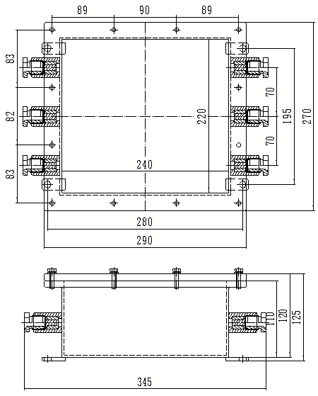
型号

CH-FB202B-F

材质

外壳304不锈钢+防腐塑或316L不锈钢

出线规格

螺纹接口G-3/4",6个出线孔

外形尺寸

308*270*119MM

防护等级

IP66

重量

8.8KG


© 2020 上海YABO鸭脖官网科技股份有限公司 沪ICP备12045031号

联系我们

联系我们

400-631-6166
产品目录

产品目录